常に “最新” “最先端” を目指します。
私たちが生業とする医療廃棄物処理事業においても、日々の技術の進歩やIT化の進展は目覚ましく、また、ますます複雑化が進む社会状況と多様化する人々の価値観。そんな中、 “現状維持” は最早「罪」と言えるのかも知れません。
昨日とは違う今日を迎え続けるために、私たちは色々な場面でのスキルアップや創意工夫、チャレンジ等により、常に自己革新してまいります。そして、お客様には常に、“最新” で “最先端” の “最適なサービス・商品” を提供し続けられるよう励んでまいります。
最大処理能力:160t/日
当新田事業場 生物処理:10㎥/日
築港元町事業場 1号機:33t/日 2号機:33t/日 3号機:47t/日 4号機:47t/日(リサイクル処理センター)

リサイクル処理センター(築港元町事業場)
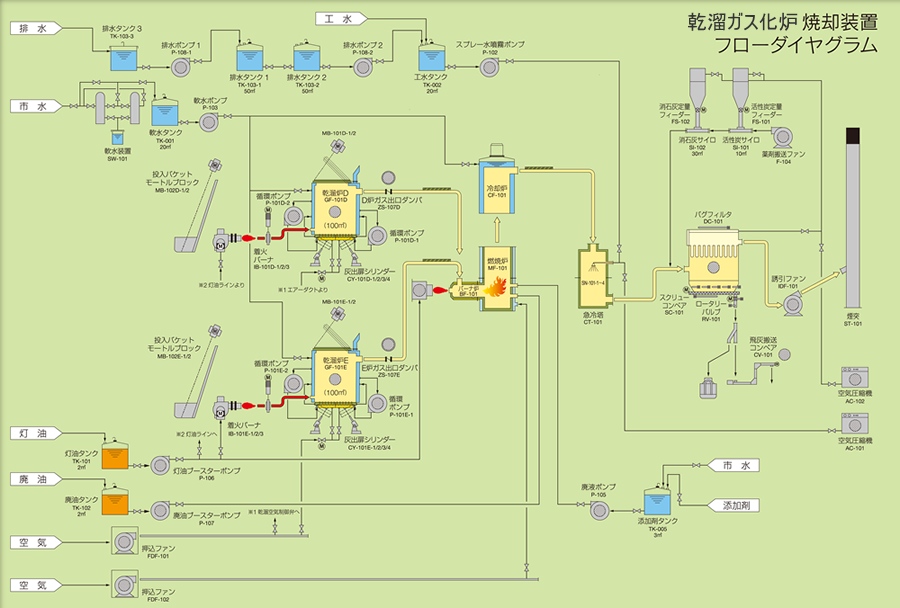
○1・2号機
従来の焼却炉に比べて投入口が大きいため、1度に投入を行うことができ、保管庫が不要なタイプの焼却炉です。大きな廃棄物も投入できるため、破砕の必要がありません。
また焼却後に発生する灰の量を大幅に抑えることができます。1・2号機独自のシステムにより、安定した燃焼と熱の回収、ダイオキシン類の削減が可能です。

○サーマルリサイクルのフロー
廃棄物を焼却する際に発生した熱を利用して、老人ホーム等より排出される水分の多いおむつを乾燥・破砕します。熱の再利用によって、CO₂の削減に貢献しています。
○おしめ乾燥について
一般的におしめの水分含有率はおよそ70%位になります。 サーマルリサイクルとしておしめを処理前乾燥させる事により、この水分含有率(破砕も含む)の削減に取り組んでおります。(乾燥後の水分含有率 4.2%(別紙検査成績書参照))このように破砕を兼ねて60%以上の水分含有率を削減する事によっておよそ3分の1の重量比となり、焼却条件の改善につなげております。


